Tài liệu biến tần Delixi - Hướng dẫn cài đặt biến tần Delixi
Biến tần Delixi là thiết bị quan trọng trong lĩnh vực công nghiệp, giúp tối ưu hóa hiệu quả vận hành của các thiết bị điện, đặc biệt là động cơ bơm. Trong bài viết này, chúng tôi sẽ cung cấp tài liệu và hướng dẫn toàn diện về cách sử dụng, cài đặt và bảo trì biến tần bơm năng lượng mặt trời Delixi, giúp bạn khai thác tối đa hiệu suất thiết bị.
I. HƯỚNG DẪN CÁCH ĐỌC THÔNG SỐ BIẾN TẦN BƠM NĂNG LƯỢNG MẶT TRỜI DELIXI
Các thông số cơ bản của biến tần Delixi thường được hiển thị trên nhãn sản phẩm. Xem hình bên dưới đây của ĐẠIVIỆTBIG để hiểu rõ hơn:

Các chữ cái CDI – SPD thể hiện mẫu mã sản phẩm. Các chữ cái đuôi là các dòng sản phẩm hiện có được thiết kế cho từng loại thiết bị với các thông số riêng biệt. Trong đó:
SS2, S2: 1 pha, dùng cho đầu vào/ra 220V, tần số 50/60 Hz, 150 – 440 VDC
T2: sử dụng 3 pha, điện áp 220V, tần số 50/60 Hz, 150 – 440 VDC.
T4: sử dụng 3 pha, điện áp 380V, tần số số 50/60 Hz, 250 – 800 VDC
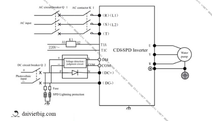
II. HƯỚNG DẪN ĐẤU NỐI BIẾN TẦN BƠM NƯỚC NĂNG LƯỢNG MẶT TRỜI DELIXI
Sơ lược về các phần đấu nối bạn có thể xem hình bên dưới đễ dễ hình dung hơn nhé.

Hệ thống biến tần bơm năng lượng mặt trời Delixi thường bao gồm các phần chính sau:
Cổng vào AC (R, S, T hoặc L1, L2): Đây là nơi kết nối nguồn điện lưới 3 pha vào biến tần. Với hệ thống 1 pha, bạn có thể kết nối vào cổng R và S.
Cổng vào DC (+ và -): Dùng để kết nối dòng điện một chiều từ các tấm pin mặt trời.
Cổng ra AC (U, V, W): Đây là nơi đấu nối trực tiếp với động cơ bơm.
Các phần đấu nối khác như tín hiệu, cảm biến, giao tiếp sẽ được hướng dẫn chi tiết hơn.
Đấu nối nguồn DC (dòng điện một chiều)
Chọn cầu dao (CB): Nên chọn CB có điện áp từ 800V đến 1000V và dòng điện lớn hơn 25A (vì dòng điện ngắn mạch Isc của mỗi chuỗi pin thường không vượt quá 15A).
Dây dẫn: Sử dụng dây dẫn tiêu chuẩn 4-6mm² cho mỗi chuỗi pin.
Nhiều chuỗi pin: Nếu hệ thống sử dụng nhiều chuỗi pin, mỗi chuỗi nên được trang bị riêng một CB và một thiết bị chống sét để đảm bảo an toàn.
Đấu nối nguồn AC (dòng điện xoay chiều)
Nguồn AC: Có thể sử dụng nguồn AC trong trường hợp điện năng lượng mặt trời không đủ.
Biến tần Delixi:

Đảo pha: Nếu động cơ quay ngược hoặc hoạt động không ổn định, hãy đảo 3 pha của biến tần và động cơ.
Cầu dao AC: Chọn CB có điện áp 400VAC, dòng điện phù hợp với công suất máy bơm và biến tần.
Dây dẫn: Sử dụng dây dẫn có tiết diện phù hợp với dòng điện vào và ra của biến tần.
Chuyển đổi nguồn: Có thể chuyển đổi nguồn sử dụng trong cài đặt của biến tần hoặc sử dụng module chuyển mạch tự động. (Module chuyển mạch không đi kèm theo biến tần delixi)
III. HƯỚNG DẪN ĐẤU NỐI BIẾN TẦN BƠM NƯỚC NĂNG LƯỢNG MẶT TRỜI DELIXI
Biết cài đặt biến tần Delixi chưa bao giờ dễ dàng đến thế khi xem hết bài tổng hợp các tài liệu biến tần delixi này của Ntech Solutions. Với thiết kế thông minh, các khớp nối nhanh và khả năng chịu nhiệt tốt, việc lắp đặt biến tần Delixi trở nên đơn giản và hiệu quả, giúp bạn tiết kiệm thời gian và công sức.
Giới thiệu các nút chức năng trên bảng điều khiển biến tần Delixi
Giới thiệu nhóm lệnh cơ bản (từ P0 tới P6)
Biến tần bơm DELIXI được bao gồm rất nhiều các nhóm lệnh, trong đó:
Nhóm lệnh cơ bản P0 giúp cài đặt các thông số phù hợp với thiết bị mình sử dụng. Có thể kể đến như điện áp, tần số, dòng điện, tốc độ,…
Nhóm lệnh P1: giúp cài đặt nhằm điều khiển động cơ đúng cách, tùy theo nhu cầu và ứng dụng. Ví dụ như cài đặt thời gian khởi động để máy đạt tốc độ tối đa, các kiểu khởi động, điều khiển quạt, và các hàm bảo vệ
Nhóm lệnh P2: giúp khai báo và lựa chọn các cổng tín hiệu cho các chức năng nâng cao, như điều khiển từ xa, relay,.. Nhóm lệnh P3: dành cho điều khiển PLC
Nhóm lệnh P4: dành cho điều khiển PID, độ chính xác của động cơ, máy bơm
Nhóm lệnh P5: hiển thị phím bấm
Nhóm lệnh P6: hiển thị lỗi và các chức năng bảo vệ
Đối với người dùng cuối, cần quan tâm chủ yếu nhóm lệnh P0 và P6 để giúp đảm bảo quá trình sử dụng và vận hành không gây hư hại cho biến tần và thiết bị.
Cách cài đặt biến tần delixi
Biến tần Delixi thông minh về cơ bản không cần cài đặt gì mà khách hàng có thể sử dụng được gần như là ngay lập tức. Biến tần sẽ dò công suất cực đại của máy bơm và cung cấp năng lượng vừa đủ để chạy thiết bị. Trong nhiều trường hợp, người dùng sử dụng có nhu cầu thay đổi thông số để điều khiển theo ý muốn. Hoặc có thể tham khảo hình ảnh hoặc bảng cài đặt chi tiết dưới đây của ĐẠIVIỆTBIG


Lưu ý: Có rất nhiều thông số không thể được cài đặt khi biến tần bơm đang hoạt động do đó yêu cầu người vận hành phải tắt động cơ cũng như biến tần.
Một vài sơ đồ và tài liệu biến tần delixi có liên quan:
Sơ đồ nối dây tiêu chuẩn của mạch chính và mạch điều khiển của biến tần Delixi:

sơ đồi khối biến tần bơm nước năng lượng mặt trời Delixi để bạn tham khảo:

Kết Luận:
Tài liệu biến tần Delixi không chỉ là công cụ hướng dẫn mà còn là "kim chỉ nam" giúp người dùng khai thác tối đa hiệu quả và độ bền của thiết bị. Với sự hỗ trợ chi tiết về cách cài đặt, vận hành, và xử lý sự cố, tài liệu này đóng vai trò quan trọng trong việc đảm bảo hiệu suất vận hành ổn định và an toàn.
bạn là kỹ thuật viên, chủ doanh nghiệp, hay người mới tiếp cận với công nghệ biến tần, việc nắm vững tài liệu này sẽ giúp bạn không chỉ tiết kiệm thời gian mà còn giảm thiểu chi phí bảo trì và tối ưu hóa hệ thống. Hãy tận dụng nguồn tài liệu quý giá này để nâng cao hiệu quả hoạt động và đảm bảo thành công lâu dài cho hệ thống công nghiệp của bạn!
Giá biến tần bơm nước năng lượng mặt trời Delixi đang cực kỳ tốt tại ĐAIVIETBIG.

