Bạn đang gặp khó khăn trong việc vận hành máy bơm nước? Muốn tìm một giải pháp vừa hiệu quả, vừa tiết kiệm chi phí? Biến tần bơm năng lượng mặt trời 4kw cho động cơ 1 pha CDI-SPDG4R0SS2 chính là câu trả lời hoàn hảo dành cho bạn! Với công suất 4KW mạnh mẽ, biến tần Delixi được thiết kế đặc biệt để điều khiển máy bơm nước hoạt động tối ưu bằng năng lượng mặt trời. Công nghệ điều khiển vector vòng mở tiên tiến giúp ổn định hiệu suất, kéo dài tuổi thọ cho máy bơm. Cùng ĐẠIVIỆTBIG tìm hiểu chi tiết hơn về sản phẩm tại bên dưới đây nhé!

1. Thông tin chi tiết về biến tần cho máy bơm nước Delixi CDI-SPDG4R0SS2 ( 4 kw - 1 pha)
Đón đầu tương lai với biến tần bơm nước năng lượng mặt trời Delixi 4kw 1 pha CDI-SPDG2R2SS2. Là giải pháp tối ưu cho hệ thống máy bơm nước, dùng để bơm nước sạch, xanh, tiết kiệm,.. Biến tần Delixi giúp điều chỉnh tốc độ động cơ của hệ thống bơm theo nhu cầu sử dụng thực tế, tối ưu hóa hiệu suất và tiết kiệm năng lượng. Biến tần bơm đặc biệt phù hợp với các hệ thống bơm trong các ứng dụng như: cấp nước, hệ thống điều hòa không khí (HVAC), bơm hóa chất, hoặc hệ thống xử lý nước thải.
Thông số kỹ thuật:
Tên sản phẩm: Biến tần Delixi Solar Water Pump 4KW – CDI-SPDG4R0SS2
Mã sản phẩm (Model): SPDG4R0SS2
Hãng sản xuất: Delixi Thời gian bảo hành: 2 năm. Công suất: 4 KW
Dòng điện đầu vào định mức: 32.8A Dòng điện đầu ra định mức: 17A
2. Đặc điểm nổi bật biến tần bơm năng lượng mặt trời Delixi 4 kw CDISPDG4R0SS2 (1 pha)
Biến tần bơm năng lượng mặt trời Delixi 4KW CDI-SPDG4R0SS2 (1 pha) là giải pháp tối ưu cho hệ thống bơm nước. Với biến tần Delixi, bạn không chỉ tiết kiệm được đến 30% chi phí điện năng mà còn kéo dài tuổi thọ của động cơ bơm. Sản phẩm phù hợp cho các hộ gia đình, trang trại, nhà máy sản xuất... Với thiết kế thông minh và tính năng vượt trội, biến tần bơm Delixi 4kW là lựa chọn hoàn hảo để nâng cao hiệu suất và tiết kiệm năng lượng cho hệ thống bơm nước của bạn.

Điều khiển tốc độ linh hoạt: Biến tần điều chỉnh tốc độ động cơ một cách mượt mà, giúp bơm hoạt động ổn định và thích ứng với mọi nhu cầu sử dụng.
Tiết kiệm năng lượng tối đa: Nhờ khả năng điều chỉnh công suất theo tải, biến tần giảm thiểu tiêu thụ điện năng, giúp bạn tiết kiệm chi phí đáng kể.
Bảo vệ toàn diện: Hệ thống bảo vệ đa dạng như quá tải, quá dòng, quá nhiệt, mất pha... bảo vệ động cơ và hệ thống khỏi các sự cố bất ngờ. Lắp đặt và vận hành dễ dàng: Thiết kế nhỏ gọn, giao diện thân thiện giúp bạn dễ dàng lắp đặt và sử dụng.
Kết nối thông minh: (Nếu có) Khả năng kết nối với các thiết bị điều khiển từ xa giúp bạn quản lý hệ thống một cách hiệu quả. Bảo hành chính hãng: 02 năm bảo hành chính hãng, đảm bảo quyền lợi của khách hàng.
3. Ưu điểm khi sử dụng biến tần Delixi CDI-SPDG4R0SS2
Mô-đun giao tiếp tích hợp: Mô-đun giao tiếp RS-485 tích hợp tiêu chuẩn có thể thực hiện giao tiếp MODBUS-RTU tiêu chuẩn. Một máy tính chủ có thể giao tiếp với nhiều bộ chuyển đổi tần số cùng một lúc, với tốc độ nhanh và hiệu quả chống nhiễu tốt.
Tiết kiệm chi phí: Giảm thiểu chi phí điện năng tiêu thụ nhờ tận dụng nguồn năng lượng mặt trời dồi dào.
Bảo vệ môi trường: Góp phần giảm thiểu lượng khí thải carbon, bảo vệ môi trường sống. Ổn định và bền bỉ: Hoạt động ổn định trong mọi điều kiện thời tiết, tuổi thọ cao.
Giá cả cạnh tranh: >>> Chỉ 6.200.000 VNĐ/ bộ ( miễn phí vận chuyển trên toàn quốc). ĐẠIVIỆTBIG cam kết, quý khách hàng sẽ được hoàn tiền chênh lệch nếu đơn vị khác bán rẻ hơn.
4. Ứng dụng của biến tần cho máy bơm nước - biến tần delixi 4kw 1 pha
Ứng dụng biến tần bơm nước năng lượng mặt trời đa dạng, nên phù hợp với nhiều loại máy bơm nước. Biến tần Delixi là giải pháp tối ưu cho bơm nước năng lượng mặt trời, thiết bị có thể đáp ứng tốt mọi nhu cầu của nhiều đối tượng khách hàng.

Cụ thể như:
Nông nghiệp: Dùng biến tần cho máy bơm nước để tưới tiêu cho các loại cây trồng, nuôi trồng thủy sản.
Sinh hoạt: Cấp nước sinh hoạt cho gia đình, khu chung cư nhầm choặc cung cấp nước cho các tòa nhà, khu công nghiệp. Điều khiển bơm trong các nhà máy xử lý nước thải,..
Công nghiệp: Dùng biến tần bơm nước năng lượng mặt trời cấp nước cho các nhà máy, xí nghiệp. Dùng để bơm hóa chất, bơm chất lỏng có độ nhớt cao, hoặc bơm trong ngành công nghiệp thực phẩm, dược phẩm.
5. Tài liệu biến tần Delixi
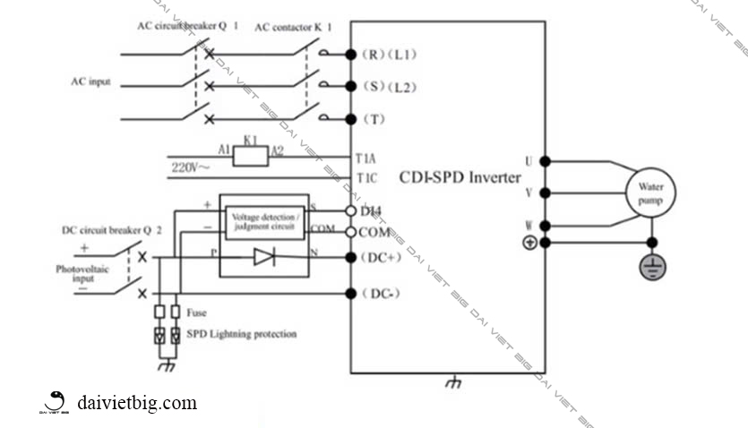
Sơ đồ nối dây tiêu chuẩn của mạch chính và mạch điều khiển của sản phẩm trong hình bên dưới:

Sơ đồ nguyên lý biến tần bơm Delixi:
Dưới đây là sơ đồi khối biến tần bơm nước năng lượng mặt trời để bạn tham khảo:

>>> Bạn có thể tham khảo chi tiết tại đây: Tài liệu biến tần Delixi - Hướng dẫn cài đặt biến tần delixi
Kết luận
Biến tần Delixi CDI-SPDG1R5SS2 là một giải pháp thông minh, giúp bạn vừa tiết kiệm điện năng, vừa bảo vệ môi trường. Thiết bị này không chỉ điều khiển tốc độ động cơ một cách chính xác mà còn kết hợp hài hòa giữa nguồn điện lưới quốc gia và nguồn điện năng lượng mặt trời. Nhờ đó, bạn có thể yên tâm sử dụng các thiết bị điện trong gia đình hoặc sản xuất mà không lo bị gián đoạn nguồn điện. Với những ưu điểm vượt trội, sản phẩm này chắc chắn sẽ làm hài lòng quý khách hàng.