Bạn muốn tiết kiệm điện và vận hành máy bơm nước một cách ổn định? Biến tần bơm nước năng lượng mặt trời 4kW 3 pha CDI-SPDG4R0T4 là lựa chọn hoàn hảo. Thiết bị này giúp điều chỉnh tốc độ bơm phù hợp với nhu cầu sử dụng, giảm thiểu hao phí điện năng và tăng tuổi thọ máy bơm. Biến tần Delixi 4 kW này sử dụng nguồn điện vào 3 pha (380V AC) và cung cấp đầu ra 3 pha cho động cơ bơm. Giúp bảo vệ hệ thống khỏi các sự cố điện như quá tải, quá dòng, hoặc mất pha. Cùng ĐẠIVIỆTBIG tìm hiểu chi tiết hơn về sản phẩm tại bên dưới đây!


1. Thông tin chi tiết về biến tần cho máy bơm nước Delixi CDI-SPDG4R0T4
Đón đầu tương lai với biến tần bơm nước năng lượng mặt trời Delixi 4kw 3 pha. Đây là giải pháp tối ưu cho hệ thống máy bơm nước, dùng để bơm nước miễn phí dựa vào năng lượng mặt trời. Thông qua biến tần Delixi giúp điều chỉnh tốc độ động cơ của hệ thống bơm theo nhu cầu sử dụng thực tế, tối ưu hóa hiệu suất và tiết kiệm năng lượng. Biến tần bơm đặc biệt phù hợp với các hệ thống bơm trong các ứng dụng như: cấp nước, hệ thống điều hòa không khí (HVAC), bơm hóa chất, hoặc hệ thống xử lý nước thải.
Thông số kỹ thuật:
Tên sản phẩm: Biến tần Delixi Solar Water Pump 4KW hệ 3 pha.
Mã sản phẩm (Model): CDI-SPDG4R0T4
Biến tần cho động cơ: 3 pha Hãng sản xuất: Delixi
Thời gian bảo hành: 2 năm. Công suất: 4 KW
Dòng điện đầu vào định mức: 10.5A Dòng điện đầu ra định mức: 9.5A

2. Đặc điểm nổi bật biến tần bơm năng lượng mặt trời Delixi 4 kw 3 pha CDISPDG4R0T4
Biến tần bơm năng lượng mặt trời Delixi 4KW CDI-SPDG4R0T4 (3 pha) là giải pháp tối ưu cho hệ thống bơm nước. Với biến tần Delixi, bạn không chỉ tiết kiệm được đến 30% chi phí điện năng mà còn kéo dài tuổi thọ của động cơ bơm. Sản phẩm phù hợp cho các hộ gia đình, trang trại, nhà máy sản xuất... Với thiết kế thông minh và tính năng vượt trội, biến tần bơm Delixi 4kW là lựa chọn hoàn hảo để nâng cao hiệu suất và tiết kiệm năng lượng cho hệ thống bơm nước của bạn.

Điều khiển tốc độ linh hoạt: Biến tần điều chỉnh tốc độ động cơ một cách mượt mà, giúp bơm hoạt động ổn định hơn.
Tiết kiệm năng lượng tối đa: Với khả năng điều chỉnh công suất theo tải, biến tần giảm thiểu tiêu thụ điện năng, giúp bạn tiết kiệm chi phí đáng kể. Bảo vệ toàn diện: Hệ thống bảo vệ đa dạng như quá tải, quá dòng, quá nhiệt, mất pha... Bảo vệ động cơ và hệ thống khỏi các sự cố bất ngờ như: quá tải, quá dòng, hoặc mất pha.
Lắp đặt và vận hành dễ dàng: Thiết kế nhỏ gọn, giao diện thân thiện giúp bạn dễ dàng lắp đặt và sử dụng.
Kết nối thông minh: (Nếu có) Khả năng kết nối với các thiết bị điều khiển từ xa giúp bạn quản lý hệ thống một cách hiệu quả. Bảo hành chính hãng: 02 năm bảo hành chính hãng, đảm bảo quyền lợi của khách hàng.
3. Ưu điểm khi sử dụng biến tần Delixi CDI-SPDG4R0T4
Mô-đun giao tiếp tích hợp: Mô-đun giao tiếp RS-485 tích hợp tiêu chuẩn có thể thực hiện giao tiếp MODBUS-RTU tiêu chuẩn. Một máy tính chủ có thể giao tiếp với nhiều bộ chuyển đổi tần số cùng một lúc, với tốc độ nhanh và hiệu quả chống nhiễu tốt.
Tiết kiệm chi phí: Giảm thiểu chi phí điện năng tiêu thụ nhờ tận dụng nguồn năng lượng mặt trời dồi dào. Bảo vệ môi trường: Góp phần giảm thiểu lượng khí thải carbon, bảo vệ môi trường sống.
Ổn định và bền bỉ: Hoạt động ổn định trong mọi điều kiện thời tiết, tuổi thọ cao.

Giá cả cạnh tranh: >>> Chỉ 5.500.000 VNĐ/ bộ ( miễn phí vận chuyển trên toàn quốc). Ngoài ra, khi mua số lượng được áp chiết khấu, giá tốt cho thợ lắp đặt,.. cùng nhiều ưu đãi hấp dẫn khác cho khách hàng. Khách hàng được hoàn tiền chênh lệch khi đơn vị khác rẻ hơn.
4. Ứng dụng của biến tần cho máy bơm nước - Biến tần Delixi 4kw 3 pha
Biến tần Delixi là giải pháp tối ưu cho bơm nước năng lượng mặt trời. Thiết bị có thể đáp ứng tốt mọi nhu cầu của nhiều đối tượng khách hàng. Nâng cao hiệu quả bơm nước với biến tần Delixi 4kW 3 pha.
Với ứng dụng đa dạng từ nông nghiệp (tưới tiêu, nuôi trồng thủy sản) đến sinh hoạt (cấp nước sinh hoạt, xử lý nước thải) và công nghiệp (cấp nước cho nhà máy, bơm hóa chất), biến tần Delixi là lựa chọn hoàn hảo. Thiết bị không chỉ điều khiển hiệu quả các loại máy bơm nước mà còn tối ưu hóa năng lượng, giảm chi phí vận hành.
5. Tài liệu biến tần Delixi
>>> Bạn có thể tham khảo chi tiết tại đây: Tài liệu biến tần Delixi - Hướng dẫn cài đặt biến tần delixi
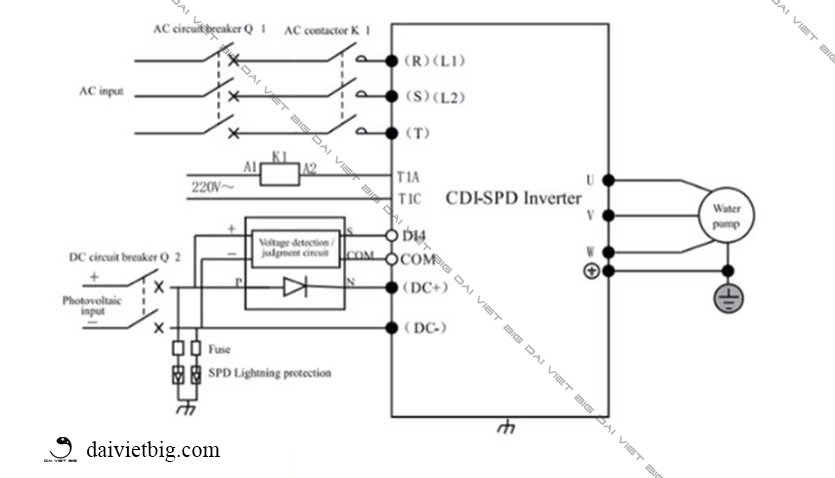
Sơ đồ nối dây tiêu chuẩn của mạch chính và mạch điều khiển của sản phẩm trong hình bên dưới:

Sơ đồ nguyên lý biến tần bơm Delixi:

Dưới đây là sơ đồi khối biến tần bơm nước năng lượng mặt trời để bạn tham khảo:

Kết luận
Biến tần Delixi CDI-SPDG4R0T4 là một giải pháp thông minh và hiệu quả cho các hệ thống bơm nước năng lượng mặt trời. Với những ưu điểm vượt trội, sản phẩm này chắc chắn sẽ làm hài lòng quý khách hàng.
Liên hệ ngay với chúng tôi để được tư vấn và hỗ trợ báo giá biến tần bơm nước năng lượng mặt trời tốt hơn nhé!